七月 21 2022
STM32F103C8T6中文资料PDF与引脚图及封装
描述
STM32F103C8T6使用高性能的ARM®Cortex™-M332位的RISC内核,工作频率为72MHz,内置高速存储器(高达128K字节的闪存和20K字节的SRAM),丰富的增强I/O端口和联接到两条APB总线的外设。此器件都包含2个12位的ADC、3个通用16位定时器和1个PWM定时器,还包含标准和先进的通信接口:多达2个I2C接口和SPI接口、3个USART接口、一个USB接口和一个CAN接口。中等容量增强型系列产品供电电压为2.0V至3.6V,包含-40°C至+85°C温度范围和-40°C至+105°C的扩展温度范围。一系列的省电模式保证低功耗应用的要求。
产品概述
| 制造商 | 意法半导体 |
| 型号 | STM32F103C8T6 |
| 描述 | IC 单片机 32BIT 64KB FLASH 48LQFP |
| 分类 | 集成电路(IC),嵌入式-微控制器 |
| 打包 | 托盘 |
| 工作温度 | -40°C~85°C(TA) |
| 安装类型 | 表面贴装 |
| 包装/案例 | 48-LQFP |
| 基本产品编号 | STM32F103 |
产品图片

STM32F103C8T6
规格参数
| 符合REACH | 是 |
| 符合欧盟RoHS | 是 |
| 符合中国RoHS | 是 |
| 产品状态 | 在售 |
| 核心处理器 | ARM® Cortex®-M3 |
| 核心尺寸 | 32位单核 |
| 速度 | 72MHz |
| 输入输出数量 | 37 |
| 程序内存大小 | 64KB(64Kx8) |
| 程序存储器类型 | 闪光 |
| 内存大小 | 20Kx8 |
| 电压-电源 (Vcc/Vdd) | 2V~3.6V |
| 数据转换器 | 模数10x12b |
| 振荡器类型 | 内部的 |
| 案例/包装 | LQFP |
| 引脚数 | 48 |
| 地址总线宽度 | 32乙 |
| 核心架构 | 手臂 |
| 数据总线宽度 | 32乙 |
| 密度 | 512KB |
| 闪存大小 | 64KB |
| 频率 | 72兆赫 |
| 最大频率 | 72兆赫 |
| 最高工作温度 | 85°C |
| 最大功耗 | 363兆瓦 |
| 最大电源电压 | 3.6V |
| 内存大小 | 64KB |
| 内存类型 | 闪光 |
| 制造商包标识符 | ai14911d |
| 最低工作温度 | -40°C |
| 最小电源电压 | 2伏 |
| 标称电源电流 | 1.7µA |
| A/D转换器数量 | 2 |
| ADC通道数 | 10 |
| 位数 | 32 |
| 通道数 | 10 |
| I2C通道数 | 2 |
| I/O数量 | 37 |
| 可编程I/O数量 | 48 |
| PWM通道数 | 1 |
| SPI通道数 | 2 |
| 定时器/计数器的数量 | 4 |
| USART通道数 | 3 |
| 工作电源电压 | 3.6V |
| 振荡器类型 | 内部的 |
| 外围设备 | DMA、I2C、POR、PWM、温度传感器、WDT |
| 内存大小 | 20 KB |
| 附表B | 8542310000 |
| 终止 | 贴片/贴片 |
| 看门狗定时器 | 是的 |
| 高度 | 1.45毫米 |
| 长度 | 7毫米 |
| 宽度 | 7.2毫米 |
环境与出口分类
| 属性 | 描述 |
| RoHS状态 | 符合ROHS3标准 |
| 湿度敏感度(MSL) | 3(168小时) |
| REACH状态 | REACH不受影响 |
特点
工作电压范围为2V至3.6V
64KB闪存
20KBSRAM
CRC计算单元,96bit唯一ID
两个12位、1μsA/D转换器(最多10个通道)
7通道DMA控制器、3个通用定时器和1个高级控制定时器
37个快速I/O端口
串行线调试(SWD)和JTAG接口
2个SPI、2个I2C、3个USART、1个USB和1个CAN接口
环境工作温度范围为-40°C至85°C
应用领域
医疗和手持设备
PC游戏外设和GPS平台
工业应用:可编程控制器(PLC)、变频器、打印机和扫描仪
警报系统、视频对讲、和暖气通风空调系统等
电路图
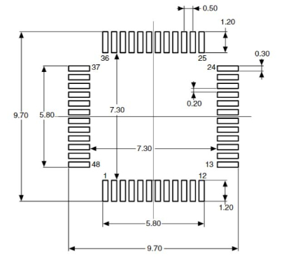
引脚图
CAD模型

STM32F103C8T6符号

STM32F103C8T6焊垫

STM32F103C8T6 3D模型
封装

STM32F103C8T6封装
替代型号
| 零件号 | ATSAM3S4AA-AU | STM32F302C8T6 | STM32F303C8T6 | STM32F301C8T6 |
| 制造商 | 微芯片技术 | 意法半导体 | 意法半导体 | 意法半导体 |
| 包装/案例 | 48-LQFP | 48-LQFP | 48-LQFP | 48-LQFP |
| 引脚数 | 48 | 48 | 48 | 48 |
| 核心架构 | 手臂 | 手臂 | 手臂 | 手臂 |
| 数据总线宽度 | 32乙 | 32乙 | 32乙 | 32乙 |
| 输入输出数量 | 34 | 37 | 37 | 37 |
| 内存大小 | 256KB | 64KB | 64KB | 64KB |
| 电源电压 | 1.8V | 3.3V | 3.3V | - |
PDF资料
应用笔记
| 类型 | 标题 |
| PDF | STM32F103C8T6产品设计参考手册.pdf |
| PDF | STM32F103C8T6其他数据使用手册.pdf |
| PDF | STM32F103C8T6产品修订记录.pdf |
| PDF | STM32F103C8T6产品手册.pdf |
| PDF | STM32F103C8T6其他参考文件.pdf |
产品制造商介绍
意法半导体(ST)公司成立于1987年,是意大利SGS半导体公司和法国汤姆逊半导体合并后的新企业,从成立之初至今,ST的增长速度超过了半导体工业的整体增长速度。自1999年起,ST始终是世界十大半导体公司之一。整个集团共有员工近50,000名,拥有16个先进的研发机构、39个设计和应用中心、15主要制造厂,并在36个国家设有78个销售办事处。意法半导体是业内半导体产品线最广的厂商之一,从分立二极管与晶体管到复杂的片上系统(SoC)器件,再到包括参考设计、应用软件、制造工具与规范的完整的平台解决方案,其主要产品类型有3000多种,。意法半导体是各工业领域的主要供应商,拥有多种的先进技术、知识产权(IP)资源与世界级制造工艺。
相关产品推荐
| 图片 | 产品型号 | 品牌 | 描述 | 数量 | 价格 (USD) |
![]() |
STM32F103VCT6 | Company:STMicroelectronics | Remark:STM32F103VCT6以72MHz频率运行的高性能ARMCortex-M332位RISC内核、高速嵌入式存储器(闪存高达512KB,SRAM高达64KB),以及连接到两条APB总线的各种增强型I/O和外围设备。STM32F103VCT6是采用100引脚LQFP封装的高密度性能线ARM Cortex-M3 32位微控制器。它结合了具有72MHz工作频率的高性能RISC内核、高速嵌入式存储器、广泛的增强型I/O和连接到两个APB总线的外围设备。 | In Stock:9200 Buy |
Buy | Price:call | ![]() |
STM32F031F6P6 | Company:STMicroelectronics | Remark:STM32F031F6P6微控制器集成了以48MHz最大频率运行的高性能ARM Cortex-M032位RISC内核、高速嵌入式存储器(高达32KB的闪存和高达4KB的SRAM)以及广泛的一系列增强型外设和I/O。STM32F031F6P6微控制器包括采用四种不同封装的器件,从20引脚到48引脚不等。根据选择的设备,包括不同的外围设备。 | In Stock:2500 Buy |
Buy | Price:call | ![]() |
STM32F411VET6U | Company:STMicroelectronics | Remark:STM32F411VET6U基于高性能ARMCortex-M432位RISC内核,工作频率高达100MHz。其Cortex-M4内核具有浮点单元(FPU)单精度,支持所有ARM单精度数据处理指令和数据类型。它还实现了全套DSP指令和内存保护单元(MPU),增强了应用程序的安全性。 | In Stock:10000 Buy |
Buy | Price:call | ![]() |
STM32F746IET6 | Company:STMicroelectronics | Remark:STM32F746IET6器件集成了高速嵌入式存储器和高达1MB的闪存、320KBSRAM(包括用于关键实时数据的64KB数据TCMRAM)、16KB指令TCMRAM(用于关键实时例程)、在最低功耗模式下提供4KB备份SRAM,以及连接到两条APB总线、两条AHB总线、一个32位多AHB总线矩阵和一个支持内部和外部存储器访问的多层AXI互连。 | In Stock:On Order Buy |
Buy | Price:call | ![]() |
STM32F446RET6 | Company:STMicroelectronics | Remark:STM32F446RET6器件基于以高达180MHz的频率运行的高性能ARM Cortex-M4 32位RISC内核。Cortex-M4内核具有浮点单元(FPU)单精度,支持所有ARM单精度数据处理指令和数据类型。它还实现了一整套DSP指令和一个存储器保护单元(MPU),可增强应用程序的安全性。还集成了高速嵌入式存储器(高达512KB的闪存,高达128KB的SRAM),高达4KB的备份SRAM,以及连接到两条APB总线、两条AHB总线和一个32位多AHB总线矩阵的范围广泛的增强型I/O和外围设备; | In Stock:On Order Buy |
Buy | Price:call | ![]() |
STM32F042F4P6 | Company:STMicroelectronics | Remark:STM32F042F4P6是一款微控制器单元,它集成了以48MHz频率运行的高性能ARM Cortex-M0 32位RISC内核、高速嵌入式存储器以及广泛的增强型外设和I/O。所有器件均提供标准通信接口、一个USB全速器件、一个CAN、一个12位ADC、四个通用16位定时器、一个32位定时器和一个高级控制PWM定时器。 | In Stock:On Order Buy |
Buy | Price:call |







