74LS00是74XXYY IC系列的成员。74xxyy IC是数字电子设备的逻辑门。74LS00 IC有四个与非门。每个门也有两个输入。因此,请输入QUAD TWO INPUT NAND GATE。74LS00是14 PIN设备。该芯片有不同的封装,可根据需要选择。

六月 14 2019

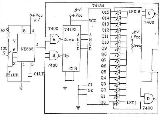
74LS00的应用电路

74LS00为四组2 输入端与非门(正逻辑),共有 54/7400、54/74H00、54/74S00、54/74LS00

继续阅读 »