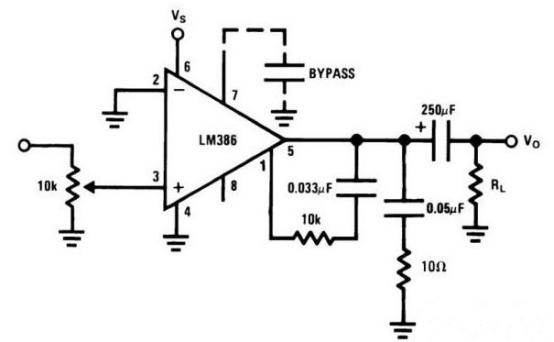
LM386是美国国家半导体公司生产的音频功率放大器。为使外围元件最少,电压增益内置为20。在1脚和8脚之间增加一只外接电阻和电容,便可将电压增益调为任意值,直至200。输入端以地为参考,同时输出端被自动偏置到电源电压的一半,在6V电源电压下,它的静态功耗仅为24mW,使得LM386广泛应用于录音机和收音机之中。

十月 27 2022

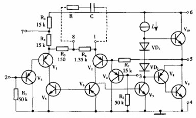
基于LM386音频放大电路的设计

音频功率放大器是通过功率放大器(简称功放)给音频放大器的负载RL(扬声器)提供一定的输出功率。当负载一定时,希望输出的功率尽可能大,输出信号的非线性失真尽可能地小,效率尽可能高。

继续阅读 »

六月 1 2019

由LM386组成的各种电路

LM386功放集成电路的工作电压范围大,最小为4V,最大为15V。它的静态功耗仅为4mA,增益最大为46dB,即200倍。它的电路简单,外围元件少,适合电子爱好者制作各种电路。下面介绍由LM386制成的各种应用电路。

继续阅读 »

六月 1 2019

基于LM386的小功率主动声呐发射电路和接收电路设计

现代声呐技术的发展始于20世纪,最初应用于军事,即对水下目标进行探测、分类、定位和跟踪,进行水下通信和导航,保障舰艇的水下安全。随着电子技术和计算机技术的迅速发展,大大推动了声呐技术的发展和应用,目前逐步民用化。虽然目前有成套的声呐探测系统,但大多数...

继续阅读 »

五月 28 2019

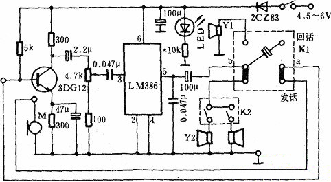
LM386组成的传呼器电路及语音电路

LM386是美国国家半导体公司生产的 音频功率放大器,主要应用于低电压消费类产品。为使外围元件最少, 电压增益内置为20。与通用型集成运放相类似,它是一个三级放大电路。本文将介绍由LM386组成的传呼器电路及语音电路。

继续阅读 »

五月 28 2019

LM386的典型应用电路

LM386是美国国家半导体公司生产的音频功率放大器,主要应用于低电压消费类产品。为使外围元件最少,电压增益内置为20。但在1脚和8脚之间增加一只外接电阻和电容,便可将电压增益调为任意值,直至200。输入端以地位参考,同时输出端被自动偏置到电源电压的一...

继续阅读 »

五月 28 2019

LM386的防治自激啸叫措施及注意事项

LM386广泛应用于音频功放电路,在绝大多数场合或单独使用的情况下,LM386能正常工作,但是在和其他电路搭配使用之后,有可能产生自激和灵敏度降低等现象。本文主要介绍应对这种现象防治措施以及使用注意事项

继续阅读 »

五月 27 2019

利用LM386组成的振荡器电路

LM386是美国国家半导体公司生产的一种小功率音频放大集成电路,采用8脚双列直插式塑料封装,工作电压4V-15V,当电源电压为12V时,在8Ω负载上可获得300mW输出功率。用LM386可以很方便地制作各种振荡器。

继续阅读 »

五月 27 2019

基于LM386设计的对讲机电路

正功放集成电路LM386由于它的应用广泛,俗称“万能功放电路”。LM386具有功耗低、工作电压范围宽、外围元件少、装置调整方便等优点,外接少量元件可组成易于制作且音质优良的有线通话器用于办公室不同房间的对讲或需要监听的场合。本文将讲述由LM386组成...

继续阅读 »

五月 24 2019

LM386的工作原理与特点

LM386是集成OTL型功放电路的常见类型,是一种音频集成功放,具有自身功耗低、更新内链增益可调整、电源电压范围大、外接元件少和总谐波失真小等优点的功率放大器;与通用型集成运放的特性相似,是一个三级放大电路:第一级为差分放大电路;第二级为共射放大电路...

继续阅读 »