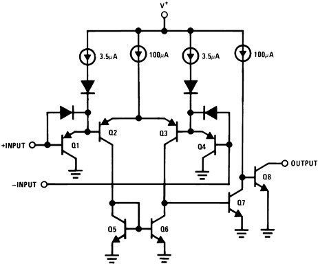
LM339(四路差动比较器)是在电压比较器芯片内部装有四个独立的电压比较器,是一种常见的集成电路,采用C-14型封装,主要应用于高压数字逻辑门电路。利用LM339可以方便的组成单限比较器、 迟滞比较器 、双限比较器(窗口比较器)、振荡器等。还可以组成高压数字逻辑门电路,并可直接与TTL、CMOS电路接口。

八月 2 2019

基于LM339的交流过零检测电路设计

由于交流电路过零检测电路存在结构复杂、过零点检测不准确、编程繁琐等问题,本文介绍了一种基于LM339的硬件结构简单的过零检测电路。通过仿真软件Mulisim对该设计电路进行了仿真,实验证明了该方案过零检测的可行性、稳定性和可靠性,可直接作为交流电路中...

继续阅读 »

六月 4 2019

LM339的特点、引脚功能及使用

LM339(四路差动比较器)是在电压比较器芯片内部装有四个独立的电压比较器,是一种常见的集成电路,主要应用于高压数字逻辑门电路。利用lm339可以方便的组成各种电压比较器电路和振荡器电路。

继续阅读 »

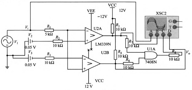
六月 4 2019

LM339与LM339N的区别

LM339N是四运放IC,可作信号电压放大,比较,逻辑运放,还用于保护,LM339是四电压比较器 主要用在检测电路和基准电压做比较多用在电磁炉的检测电路等,改变其外围电路的结构与元件参数可作多种用途。

继续阅读 »

五月 30 2019

基于LM339电压比较器的蓄水池水位计设计

有些单位和生活区由于供水不足,须先向蓄水池蓄水,再用定时方式供水。这样,泵工须在泵房内随时了解蓄水池的水位(一般蓄水池离泵房十几米)。以前曾用铜棒或不锈钢等材料做成电极探测水池水位,但由于电蚀使用后不久就失去了电极的作用。因此,本文介绍了一种利用LM...

继续阅读 »

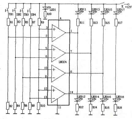
五月 30 2019

利用LM339N设计的仪表电路

LM339N为四路电压比较器,采用双列直插14脚封装,最高工作电压为±18V,功耗为265mW,应用在电磁炉等产品中。兼容或代换参考型号:LM339、IR2339、μA339PC,μPC339C、TA75339。本文介绍了采用LM339N设计的仪表电...

继续阅读 »

五月 28 2019

LM339电压比较器的应用电路

LM339集成块内部装有四个独立的电压比较器,设计用于在通带内存在输入信号时提供饱和的晶体管接地。由于LM339使用灵活,应用广泛,所以世界上各大IC生产厂、公司竟相推出自己的四比较器,如IR2339、ANI339、SF339等,它们的参数基本一致,...

继续阅读 »

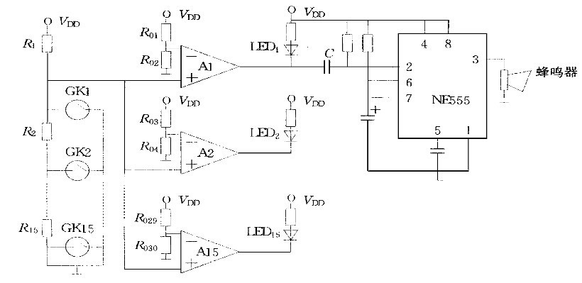
五月 28 2019

基于LM339的测试仪电路设计

LM339(四路差动比较器)是在电压比较器芯片内部装有四个独立的电压比较器,是一种常见的集成电路,主要应用于高压数字逻辑门电路。利用lm339可以方便的组成各种电压比较器电路和振荡器电路。本文介绍了利用LM339设计的测试仪电路。

继续阅读 »