近年来,随着新技术的不断发展,蓄电池作为电源不仅在交通(铁路、地铁、船舶)、发电、通讯、航天、化工、传统汽车等行业发挥着重要的作用,而且也已经开始作为动力电源或动力辅助电源应用于电动汽车(EV)和混合动力汽车(HEV)领域。与一次性充电电池相比,蓄电...
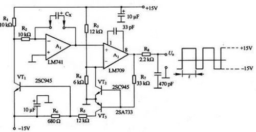
LM741是一种应用非常广泛的通用型运算放大器。由于采用了有源负载,所以只要两级放大就可以达到很高的电压增益和很宽的共模及差模输入电压范围。电路采用内部补偿,电路比较简单不易自激,工作点稳定,使用方便,而且设计了完善的保护电路,不易损坏LM741可应用于各种数字仪表及工业自动控制设备中。
五月 15 2020
近年来,随着新技术的不断发展,蓄电池作为电源不仅在交通(铁路、地铁、船舶)、发电、通讯、航天、化工、传统汽车等行业发挥着重要的作用,而且也已经开始作为动力电源或动力辅助电源应用于电动汽车(EV)和混合动力汽车(HEV)领域。与一次性充电电池相比,蓄电...
五月 30 2019
LM741是一种应用非常广泛的通用型运算放大器。由于采用了有源负载,所以只要两级放大就可以达到很高的电压增益和很宽的共模及差模输入电压范围。本电路采用内部补偿,电路比较简单不易自激,工作点稳定,使用方便,而且设计了完善的保护电路,不易损坏。LM741...
五月 28 2019
LM741系列是通用运算放大器,具有比LM709等行业标准更高的性能。在大多数应用中,它们是709C、LM201、MC1439和748的直接插件替代品。LM741C与LM741和LM741A完全相同,只是LM741C的性能在0°C至+ 70°C的温度...