十二月 23 2019
TIP122中文资料_电路图_引脚图_PDF下载_替代型号_封装_参数
描述
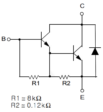
TIP122是一个达林顿对NPN晶体管。它的功能类似于普通的NPN晶体管,但由于内部具有达林顿对,因此其集电极电流额定值约为5A,增益约为1000。它在其集电极两端还可承受约100V的电压。因此,发射极可用于驱动重物。
产品图片

TIP122
规格参数
产品型号 | TIP122 |
| 描述 | TRANS NPN DARL 100V 5A TO220AB |
| 分类 | 分立半导体产品,晶体管-双极(BJT)-单 |
| 制造商 | 安森美半导体 |
| 打包 | 管 |
| 零件状态 | 过时的 |
| 晶体管类型 | NPN-达灵顿 |
| 电流-集电极(Ic)(最大值) | 5A |
| 电压-集电极发射极击穿(最大值) | 100伏 |
| Vce饱和度(最大值)@ Ib,Ic | 4V @ 20mA,5A |
| 电流-集电极截止(最大值) | 500µA |
| 直流电流增益(hFE)(最小值)@ Ic,Vce | 1000 @ 3A,3V |
| 功率-最大 | 2W |
| 工作温度 | -65°C〜150°C(TJ) |
| 安装类型 | 通孔 |
| 包装/箱 | TO-220-3 |
| 供应商设备包装 | TO-220AB |
| 基本零件号 | TIP12 * |
| 无铅状态/ RoHS状态 | 包含铅/ RoHS不合规 |
| 水分敏感性水平(MSL) | 1(无限制) |
特点
低的集电极-发射极饱和电压
互补NPN-PNP晶体管
应用领域
可用于切换大电流(最高5A)负载
可用作中型电源开关
用于需要高放大倍数的场合
电机速度控制
逆变器及其他整流电路
电路图
引脚图
引脚功能说明
引脚号 | 引脚名称 | 描述 |
| 1 | 基础 | 控制晶体管的偏置,用于打开或关闭晶体管 |
| 2 | 集电极 | 电流流经集电极,通常连接到负载 |
| 3 | 发射极 | 电流通过通常接地的发射极排出 |
CAD模型

TIP122符号

TIP122脚印
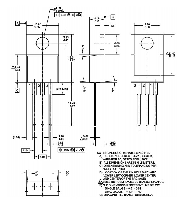
封装

TIP122封装图
替代型号
BD267B,BD649,BD701,2N6054,2SD1024,2SD1773,2SD1894,2SD2254等等
PDF资料
产品制造商介绍
安森美半导体(ON Semiconductor,美国纳斯达克上市代号:ONNN)是应用于高能效电子产品的首要高性能硅方案供应商。公司的产品系列包括电源和信号管理、逻辑、分立及定制器件,帮助客户解决他们在汽车、通信、计算机、消费电子、工业、LED照明、医疗、军事/航空及电源应用的独特设计挑战,既快速又符合高性价比。公司在北美、欧洲和亚太地区之关键市场运营包括制造厂、销售办事处及设计中心在内的世界一流、增值型供应链和网络。
相关产品推荐
| 图片 | 产品型号 | 品牌 | 描述 | 数量 | 价格 (USD) |
![]() |
TIP42C | Company:ON Semiconductor | Remark:TIP42C是采用TO-220塑料封装的基础岛技术PNP功率晶体管,使该器件适用于音频,功率线性和开关应用。互补的PNP类型为TIP41C。 | In Stock:On Order Buy |
Buy | Price:call | ![]() |
TIP127 | Company:STMicroelectronics | Remark:TIP127属于疏外延基NPN达林顿功率晶体管,采用TO-220塑料封装。与互补类型的TIP125,TIP126和TIP127可成对使用。 | In Stock:On Order Buy |
Buy | Price:call |



