六月 28 2019
74HC595中文资料_引脚图及功能_电路图_PDF下载_参数
描述
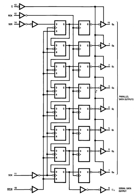
74HC595是一款低噪声、低功耗、高速的COMS移位寄存器,能够驱动15个LS-TTL的负载。该器件包含一个8位串行输入,并行输出的移位寄存器及带有三态输出控制的8位D型存储器。在SCK 的上升沿,串行数据由SDL输入到内部的8位位移缓存器,并由Q7'输出,而并行输出则是在LCK的上升沿将在8位位移缓存器的数据存入到8位并行输出缓存器。当串行数据输入端OE的控制信号为低使能时,并行输出端的输出值等于并行输出缓存器所存储的值。而当OE为高电位,也就是输出关闭时,并行输出端会维持在高阻抗状态。

74HC595
规格参数
产品型号 | 74HC595 |
品牌商 | Diodes |
高速移位时钟频率Fmax | >25MHz |
低功耗 | TA =25℃时,Icc=4μA(MAX) |
低静态电流 | 最大80μA(74HC系列) |
低输入电流 | 最大1μA |
工作电压范围宽 | 2V-6V |
移位时钟频率 | DC-30MHz |
封装形式 | DIP16/SOP16 |
特点
标准串行(SPI)接口
可级联使用
8位串行输入
8位串行或并行输出
存储寄存器具有3态输出
移位寄存器直接清除
CMOS串行输出,可用于多个设备的级联
带存储功能的8位串行输入,并行输出的移位寄存器
应用领域
通用逻辑
串行到并行数据转换
长时间捕获并保存数据。
允许来自微控制器的简单串行比特流根据需要控制尽可能多的外围线路。
广泛的产品,如:计算机外围设备、 电器、工业控制。
电路图
引脚图
引脚功能说明

封装


PDF资料
产品制造商介绍
Diodes Inc.是1966年在美国成立的制造公司,是美国Nasdaq上市企业,为敦南科技转投资企业,主要从事半导体分立元件制造生产,Diodes Inc.与光宝集团具备合作夥伴关系,双方共同开发、生产及分销产品,服务厂商包括通讯、电脑、工业、电子产品和汽车工业等等。
公司产品开发重点是高成长的最终用户设备市场,如电视/卫星机顶盒、便携式 DVD 播放器、数据通信设备、ADSL 调制解调器、电源、医疗设备、个人电脑和笔记本电脑、平板显示器、数码相机、手机、直流电源转换器、无线 802.11 LAN 接入点、直流无刷电机冷却扇和汽车应用产品。
相关文章
-
74HC595的基础知识
74HC595是一个8位串行输入、平行输出的位移缓存器:平行输出为三态输出。在SCK的上升沿,单行数据由SDL输人到内部的8位位移缓存器,并由Q7‘输出,而平行输出则是在LCK的上... -
基于74HC595芯片的驱动LED电路设计
74HC595芯片是74系列的一种,具有速度快、功耗小、操作简单的特点,可以方便地用于单片机接口进行驱动LED的操作。本文介绍这种芯片的特点和使用方法,并给出软硬件的设计实例。 -
基于74HC595的多位LED显示实现设计
单片机应用系统中使用的显示器主要有LED和LCD两种。近年来也有用CRT显示的。前者价格低廉,配置灵活,与单片机接口方便;后者可进行图形显示,但接口较复杂,成本也较高。LED(Li...
相关产品推荐
| 图片 | 产品型号 | 品牌 | 描述 | 数量 | 价格 (USD) |
![]() |
74HC595D | Company:NXP Semiconductors | Remark:产品型号:74HC595D 描述:IC计数器寄存器8BIT 16SOIC 分类:集成电路(IC),逻辑-移位寄存器 制造商:恩智浦半导体 系列:74HC 打包:卷带式(TR) | In Stock:187646 Buy |
Buy | Price:call | ![]() |
74HC164 | Company:Diodes | Remark:74HC164是高速硅门CMOS电路,管脚与低功耗肖特基TTL(LSTTL)系列兼容。74HC164是8位的串入并出、边沿触发的移位寄存器,串入数据由DSA、DSB输入, 在每个时钟CP的上升沿数据向右移一位,数据由DSA和DSB相与而成,且在上升沿到来之前已满足了建立时间。 | In Stock:On Order Buy |
Buy | Price:call |



