目录
| 1.数字和模拟输出 |
| 2.补偿电容(CC) |
| 3.反向输入引脚 |
| 4.输入和输出限制 |
| 小结 |
运算放大器是具有很高放大倍数的电路单元。在实际电路中,通常结合反馈网络共同组成某种功能模块。而比较器是能够实现对两个或多个数据项进行比较,以确定它们是否相等,或确定它们之间的大小关系及排列顺序的电路或装置。虽然这两者比较相似,并且原理图符号也差不多,如图1所示,但是还是有一定的区别的。

图1.运算放大器和比较器原理图符号
从图1可以看出,除了一些引脚数差异外,两者都有两个电源引脚,都有同相(+)和反相(-)输入,并且都有输出。两者都可以通过交换两个输入的相对位置来绘制。原理示意图如图2和图3所示。

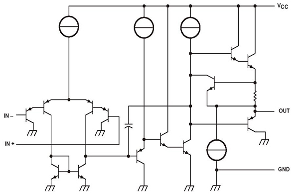
图2 运算放大器原理图示例

图3 比较器原理图示例
除了输入标记相反之外,输入级看起来相同。但是运放的输出级有点复杂,与比较器的输出级明显不同,因为它是单开集电极。要注意的是,现在许多较新的比较器具有双极级,其外观与运算放大器输出级非常相似。不同之处在于输出级。运算放大器的输出级针对线性操作进行了优化,而比较器的输出级则针对饱和操作进行了优化。
比较器输出是集电极开路,运算放大器输出是互补的NPN-PNP对。这已经指出了两者之间最大的区别——其中一个用于提供数字输出,另一个用于提供模拟输出。
由于比较器本质上是一个 1 位模数转换器,因此数字输出设计为与各种逻辑系列接口,每个系列具有不同的高低阈值。集电极开路输出可以是更复杂的电平转换电路的一部分,以确保将数字输入驱动到正确的电平。另一个数字技巧是“线或”多个输出——将它们连接到一个上拉电阻,当任何一个比较器的输出为低时,整体输出也为低。这在故障检测和窗口比较器中很有用,其中多个比较器的输出连接在一起。这对于互补输出级是不可能的。另一个幽默轶事是,虽然运算放大器可以用作比较器,但比较器不能用作运算放大器- 输出级根本没有设计为在电源轨之间的电压下工作。
然而,运算放大器的输出更为复杂,因为它旨在以极低的失真准确复制模拟信号。
另一点需要注意的是,运算放大器的输出晶体管不是功率晶体管,因此不会像比较器一样在其中一个轨上饱和运行。为了保持输出饱和,运算放大器可能会消耗比正常情况更多的电流,这会导致发热。由于基极中的存储电荷,驱动输出晶体管脱离饱和也可能需要更多时间。
然而,比较器输出设计为完全饱和到轨,有时甚至具有抗饱和电路。这听起来可能有悖常理,但对于基极-发射极电容相当大的功率晶体管来说,摆脱饱和可能需要一些时间。出于这个原因,一些比较器的特点是在输出晶体管接近饱和的情况下运行的电路,因此它们不会花时间摆动到另一个轨道。LM311就是一个很好的例子。
运算放大器电路中存在“C C ”。这是在高频下滚降运算放大器增益的补偿电容器。这是对运算放大器的必要补充,其中直流稳定性很重要——输出不应出现振荡。这个电容也是运算放大器相对“慢”的主要原因——补偿电容限制了输出压摆率。这意味着运算放大器需要有限的时间在电源轨之间移动其输出。这(与饱和问题相结合)会导致用作比较器的运算放大器的响应时间显着延迟。
另一方面,比较器没有这样的限制。任何小的输入差异都会导致输出快速快速地摆动到电源轨,这在速度非常受重视的数字系统中是一件好事。
运算放大器和比较器电路上的反相和非反相输入是反向的(相对于充当输入晶体管有源负载的电流镜)。这是因为比较器被设计为在开环配置(或具有正反馈)下保持稳定,而运算放大器被设计为具有某种形式的负反馈。
运算放大器和比较器内部电路的差异代表了“微观”的差异。还有其他“宏观”差异以每种类型的设备额定处理的输入电压范围的形式表现出来。这与运算放大器和比较器设计使用的反馈类型有很大关系。
对于可以开环或正反馈工作的比较器,如果其中一个输入高于或低于另一个,则输出必须通过在其中一个轨上饱和(代表数字 0 或 1)来快速响应。另一方面,设计用于外部负反馈网络的运算放大器试图通过改变输出并希望外部网络将输入差分为零来保持两个输入相同。
显而易见的结论是,比较器的输入共模(和差分)电压范围比运算放大器大得多。
在接近电源轨的电压下尤其如此,几乎所有运算放大器的输入(和输出)都在几伏或更多的电源轨范围内运行(存在轨到轨输入和输出运算放大器,但它们有自己的问题),任何超出这些限制的偏移通常都会导致不良行为,如:
(1)较旧的运算放大器类型存在一个称为“反相”的问题,即驱动输入超出共模范围会导致输出反相——基本上是使输出反相。
(2)输入失调和输入偏置电流在输入电压范围内不是恒定的。这是一个很明显的问题,尤其是在 RRIO 运算放大器中。输入过压有时会激活保护钳位二极管,将电流分流到任一电源轨。一些运算放大器甚至在两个输入端都有一对反并联二极管, 任何大的差异都会立即被视为输入阻抗的降低。这可能是也可能不是问题,具体取决于输入。在线性模式下使用时,这些二极管不是问题,因为负反馈会尝试将输入差分保持为零。但是,当在输入电压摆幅较大的情况下开环使用时,这些二极管会导通,从而降低输入阻抗并导致过热并最终损坏芯片。
以上就是运算放大器与比较器的差别介绍了,虽然运算放大器和比较器可能看起来相似,但它们是不同,并且设计用于不同的应用,因为运算放大器可以用作比较器,电压比较器不能用作运算放大器,因为其非线性输出级。







上一篇
使用Arduino开
下一篇
GaAs二极管在高性相关文章
LM358内部包括有两个独立的、高增益、内部频率补偿的双运算放大器,适合于电源电压范围很宽的单电源使用,也适用于双电源工作模式,在推荐的工作条件下,电源电流与 电源电压无关。它的使...
LM324系列由四个独立的,高增益,内部频率补偿运算放大器,其中专为从单电源供电的电压范围经营。从分裂电源的操作也有可能和低电源电流消耗是独立的电源电压的幅度。本文介绍LM324在...
文中详细介绍了基于带有差动输入的四运算放大器LM324为关键元器件设计的信号发生器。该设计方案是根据RC桥式正弦波振荡电路造成正弦波,正弦波频率可根据调节电阻器及电容器保持输出数据...
由于早期应用于模拟计算机中,用以实现数学运算,故得名“运算放大器”。运放是一个从功能的角度命名的电路单元,可以由分立的器件实现,也可以实现在半导体芯片当中;其也是模拟采样数据电路的...
众所周知,保护电路对于任何电子设计的成功都至关重要,如过电压保护,短路保护,反极性保护等等;其中过流保护通常用于电源电路中,以限制 PSU 的输出电流。术语“过流”是指负载吸收的电...
运算放大器(简称op amp)基本上是一种电压放大设备,设计用于在其输入/输出端子之间与电容器和电阻器等组件一起使用,或者只是具有多个端子的线性集成电路(IC)。在电子学中,实际运...